苏州丰凯丰光伏科技有限公司欢迎您
中文
|
英文
网站首页
|
公司简介
产品中心
|
生产设备
|
新闻中心
|
招贤纳士
|
联系我们
栏目导航
太阳能
散热器
太阳能
导轨系列
压块及配件
纺机1
净化铝材
流水线
门窗幕墙
卷帘门
电机壳
移动阳光房
电动凉亭
推荐产品
联系我们
服务热线
13812596992
总部地址江苏省江阴市华西村龙西湖F8
当前位置:
苏州丰凯丰光伏科技有限公司
>
中文版
>
产品中心
>
太阳能
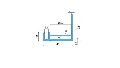
FKF-8981
浏览: 发布日期:2019-03-01
FKF-8981
上一篇:
FKF-8980
下一篇:
FKF-8982